歡迎您訪問华体会体育登录地址網站!
全國谘詢熱線: 18837917076 網站地圖

华体会彩票网

精密轉盤軸承

HXSI係列內齒圈交叉滾子轉盤軸承

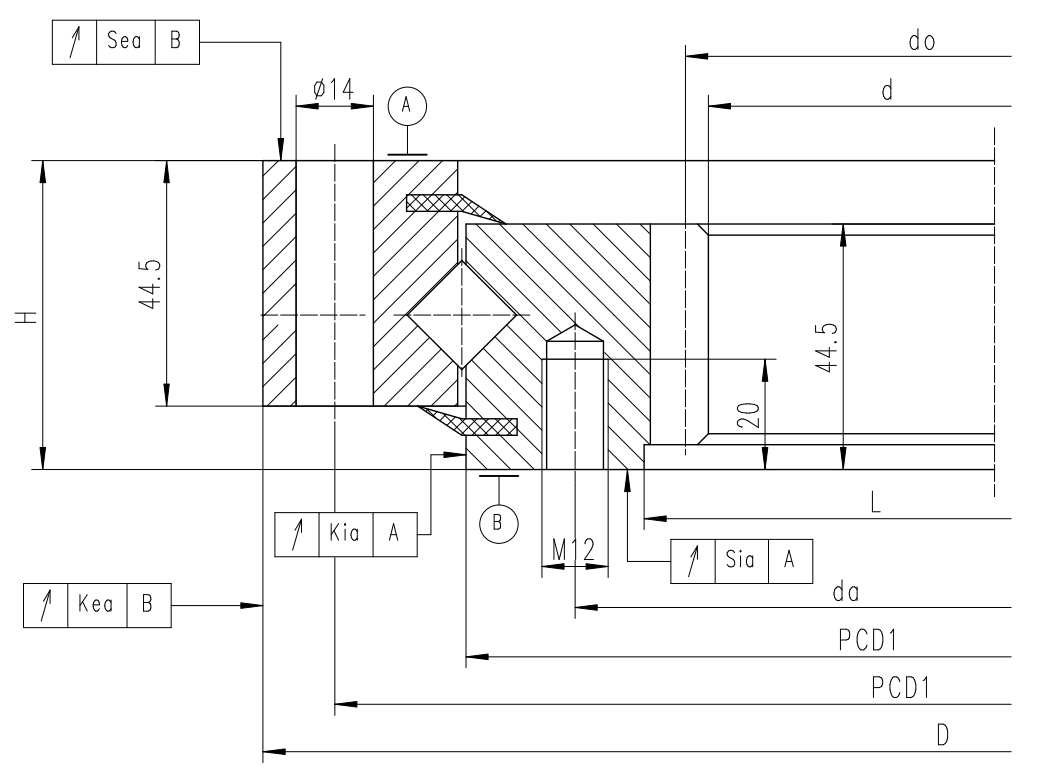
精密轉盤軸承依照滾動體結構,分為交叉滾子轉盤軸承與四點接觸球轉盤軸承兩個係列,依照齒輪形式,可分為不帶齒圈、帶內齒、帶外齒三個類型
品牌: 滾道形狀:
產品詳情

精密轉盤軸承依照滾動體(ti) 結構,分為(wei) 交叉滾子轉盤軸承與(yu) 四點接觸球轉盤軸承兩(liang) 個(ge) 係列,依照齒輪形式,可分為(wei) 不帶齒圈、帶內(nei) 齒、帶外齒三個(ge) 類型,可以安裝密封、配注油油杯、小範圍調整遊隙力矩大小、精度能達到P5/P4/P2等級,以適應各種類型的工況需求。

我司支持外徑20mm到外徑2000mm範圍內(nei) ,各種類型高精度軸承非標定製化設計加工,常年與(yu) 多家高等院校、機械機床公司、機械研究所、科研機構合作,進行重大設備的聯合開發,協助客戶試樣與(yu) 批量生產(chan) 。

轉盤軸承可以同時承受較大徑向負荷、軸向負荷和傾(qing) 覆力矩等綜合載荷,集支承、旋轉、傳(chuan) 動、固定等多種功能與(yu) 一體(ti) ,且結構緊湊、安裝簡便、維護方便,通常用於(yu) 重載低速的場合,例如起重機械、挖掘機、回轉台、風力發電機、天文望遠鏡和坦克炮塔等裝置,應用十分廣泛。

HXSI係列內(nei) 齒圈交叉滾子轉盤軸承

6{CYFECU52GER$4F{BYV1[M.png

1.png

2.png